Skip to content
Inquiry
佛山市力擎万邦起重设备有限公司
Select Product
product
product
product

LD Type Single Beam Bridge Crane

FOB

≥0.0

USD0.00

Product Details

Requirement

Production requirements
ISO9001,CE
quality desc
ISO9001,CE
Packaging

Packaging information

Packing Method Id
Single box length(cm)
121,920.00
Single box width(cm)
2,438.00
Single box hight(cm)
2,896.00
Single box volume(m3)
860,809.8202
Unit NW
26.00
Unit GW
1.00
Qty. of carton
1.00
20' container quantity
1.00
40' container quantity
1.00
40' high cubic container
1.00

Customs declaration information

Customs mnemonics
HS Code
Customs Chinese name
桥式起重机
Customs English name
Overhead Crane
Value added tax rate (%)
0.00
Tax rebate rate (%)
0.00
hs remark
Customs declaration unit of measurement

Price info

Purchase currency
CNY

Essential information

document code
P26032300001
Product name
LD单梁桥式起重机
Product English name
LD Type Single Beam Bridge Crane
Specification
1-20吨
English Specification
1-20ton
Variety
Unit
Set(set)
Development date
2026-03-23
custom link
Owner
张晨曦
Subordinate department
管理部
quotationDate
orderDate
Founder
张晨曦
Modifier
张晨曦
Creation time
2026-03-23 14:55
Modification time
2026-03-23 15:21
Category
Product/Product
Shipment quantity
0.00
Earliest transaction date
Recent transaction date
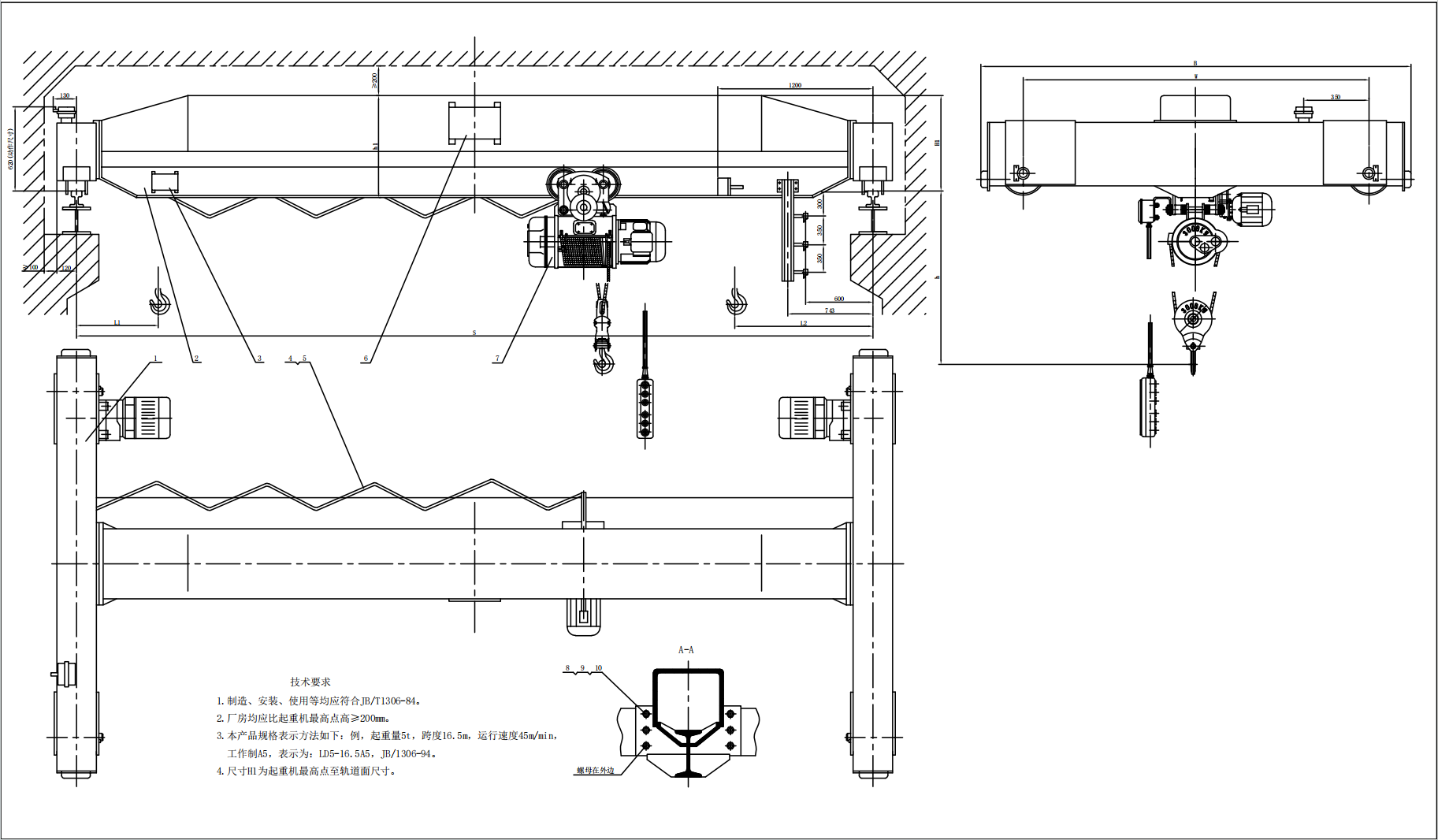
        •         The LD type electric single girder crane mainly consists of four parts: the main girder structure, wire rope electric hoist, crane traveling mechanism, and electrical system. It features easy installation and efficient material handling.The traveling mechanism adopts separate drive mode, equipped with three-in-one drive motors, ensuring stable performance and low-noise operation. The main girder is manufactured by cutting hot-rolled coil into full web plates after leveling and shearing, then welded with I-beams to form a solid web girder. The end carriages are integrally formed by laser-cut steel plates, followed by welding and assembly with wheels.The lifting mechanism is composed of a high-performance wire rope electric hoist, which can lift and carry heavy loads smoothly and move transversely along the main girder. The crane traveling mechanism is equipped with three-in-one drive motors, featuring compact assembly and noise-free operation. In addition, flat cables from well-known domestic brands are adopted to guarantee safe and stable power supply.

          Main Features

          1. Compact structure with small limit dimensions.
          2. Variable frequency speed control for smooth operation.
          3. Complete protection devices for safety and reliability.
          4. Integrated transmission for energy saving and high efficiency.
          5. Silent drive, low noise and eco-friendly.
        • Lifting Speed (Single Speed): 8 m/min, 7 m/min, 3.5 m/min
           
          Lifting Speed (Double Speed): 8/0.8 m/min, 7/0.7 m/min, 3.5/0.35 m/min
           
          Crane Travel Speed (VFD): 0–20 m/min, 0–30 m/min, 0–45 m/min
           
          Trolley Travel Speed (VFD): 0–20 m/min, 0–30 m/min
           
          Recommended maximum lifting capacity: up to 16 t
           
          Standard maximum lifting height: up to 24 m
           
          Standard maximum span: up to 35 m

        • 此处显示商品名称
          此处显示商品描述
          ¥888.00
          此处显示商品名称
          此处显示商品描述
          ¥888.00
          此处显示商品名称
          此处显示商品描述
          ¥888.00
          此处显示商品名称
          此处显示商品描述
          ¥888.00

        Sending Information To Suppliers

        Hot Products